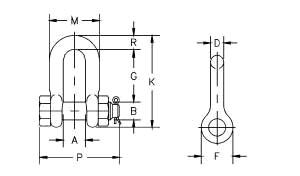
Grade S Dee Shackle With Safety Pin

Grade S Dee Shackle With Safety Pin.jpg

Grade S Dee Shackle With Safety Pin 图纸.jpg

Grade S Dee Shackle With Safety Pin 参数.jpg