Home
Product Center
Feedback
Certificates
Contact Us
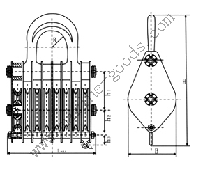
Eight & Ten wheels lifting pulley